03:20 Корвет 100ум 048с схема | ||
Опыты Над Корвет 100Ум-048С - Аудиоаппаратура - Форум По.
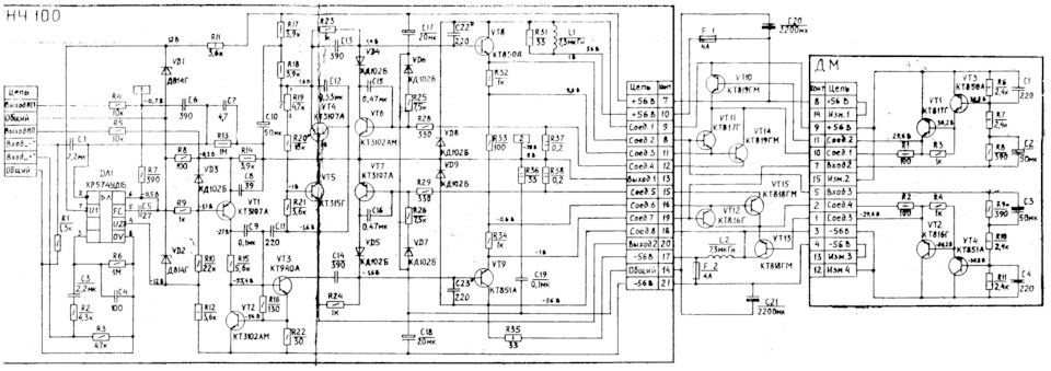
![]() 6 янв. 2018 г. Shiyan писал: Если причина в электролитах, то где их искать в схеме? улыбка Как тут тебе помочь? Если только отправить к ближайшему мастеру. Скачать Схему Усилителя Усилитель Корвет 50У-068С (100У-068С.11 июн. 2014 г. На сайте изложена схема только такого Корвета. это то, что о 4-х транзисторах и одном трансе, а "Корвет 100УМ-048С"(по данным "музея" 1988 г. Корвет УМ-048. Вопросы К Корветологам. - Форумы Сайта.![]() схема, регулирующая напряжение питания оконечного каскада микросхемы), нечто подобное использовалось в знаменитом "Корвет 100УМ-048. Усилитель Мощности "Корвет" 100 Ум-048с. | Магнитофоны "Маяк" СССР.![]() 10 апр. 2022 г. пара Корвет УП-028C Hi-Fi / Корвет 100 УМ-048С выпускалась с 1986. Схема УМ КОРВЕТ 100УМ-048 С в.2 почему-то не отражает всего величия. Корвет 100Ум-048С - Аудиоаппаратура - Форум По Радиоэлектронике![]() Схема усилителя КОРВЕТ - архив со схемами усилителей мощности КОРВЕТ 100У-068С и Корвет 100УМ-048С. Качественные схемы УНЧ представленны в формате DJVU. Корвет 100 Ум 048С - Усилители Мощности - Форум По Радиоэлектронике![]() г. И, часть этой работы - поиск схемы. И вот тут оказалось, что у такого аппарата несколько вариантов схем, потому что выпускалось несколько. Made In USSR 15: "К" — Значит "Корвет" Часть 1: 028, 038, 048 — DRIVE2![]() Так, замена ОУ КР544УД1 на ОУ А081 позволила улучшить отношение сигнал/взвешенный шум в усилителе мощности "Корвет 100УМ-048С" со 100 до 110 дБ [22, 23. Стереофонический Усилитель Мощности ''Корвет 100УМ-048С.![]() Реплика виртуального музея-справочникя 'Отечественная Радиотезника 20 века. Описания, схемы, документация, фото. Russian electronicscs of 20 century. Made In USSR 15: "К" — Значит "Корвет" Часть 1: 028, 038, 048 — DRIVE2![]() Корвет 100У-068С · Усилитель мощности Барк 50У-068С · Корвет 100УМ-048С · Одиссей 100У-021С · Радиотехника У7111 · Электроника 50У-017С Схемы автомагнитол: Made In USSR 15: "К" — Значит "Корвет" Часть 1: 028, 038, 048 — DRIVE2![]() Имеется усилитель-мощник "Корвет 100 УМ-048С" и вот в нём надо настроить ток покоя. Схема имеется. Если кому надо могу предложить, только давайте свой эл. Korvet 100um048s 1tor Ldsound.Ru (1) | Ldsound.Info![]() 4 мар. 2008 г. Крупнейший русскоязычный файловый архив по электронике. Сотни гигабайт электрических схем, сервисных мануалов, прошивок, даташитов. Корвет 100 УМ-048С | Ldsound.Info![]() 2 дек. 2012 г. схемы в хорошем качестве на Корвет УМ-048 / УП-028. Куплю. Куплю Усилитель Корвет 100УМ-048 , можно не рабочий или запчасти/документы Усилитель Корвет 100У-068С - Схема, Внешний Вид, Фото![]() Итак, cначала нужно найти схему, а затем можна приступать. Вырезаются все _жгуты_ проводов, за исключением сетевых цепей и цепей оконечных усилителей. Форум РадиоКот • Просмотр Темы - Переделка Амфитона А1-01![]() Электрическая и монтажные схемы УМ "Корвет 100УМ-048С. Фото и инструкции по усилителям мощности предоставили Пётр Вишневский и Алексей Белозёров. Москва. Стереофонический Усилитель Мощности ''Корвет 100УМ-048С.![]() Подскажите как поступить? заменить как в схеме должно быть на кр544уд1а или оставить как есть кр574уд1в,в наличие и те те. Вложения. Реанимация Усилителя "Корвет-100 УМ-048С. 18 Транзисторов.![]() Главная » Файлы » AUDIO: Схемы, документация » Корвет (Korvet. В категории. Корвет 100УМ-048С. Стереоусилитель мощности "Корвет 100УМ-048С. Корвет 100УМ. Корвет УМ-048. Вопросы К Корветологам. - Страница 2 - Форумы Сайта.![]() korvet-100-um-048s. Автор отдельных фото: Валерий Крюк. Схемы на диске. 60 комментариев: Корвет 100 УМ-048С. олег пишет: 20.09.2018 на 08:54. Made In USSR 17: "К" — Значит "Корвет" Часть 2: 068, 084, 078, 088.![]() 19 июл. 2009 г. Есть такой-файл 048 в архиве. А тот,который предлагается-на 18ти транзисторах(864,865) в канал. По-моему похож на 088й.Как считаете.Какая схема. Усилитель Мощности "Корвет" 100 Ум-048с. | Магнитофоны "Маяк" СССР.![]() 6 мар. 2013 г. что регулирует резистор R19 в схеме A1, A5 (УНЧ) ???? С - Стерео. Изменено 6 марта, 2013 пользователем }{alayva. Новое В Умзч Или Давно Забытое Старое. - Усилители Мощности.![]() 17 янв. 2001 г. СХЕМЫ И ДОКУМЕНТАЦИЯ. Усилитель КОРВЕТ УМ-048С. Описание: Принципиальная схема усилителя КОРВЕТ УМ-048С. ПОСЕТИТЬ САЙТ ИСТОЧНИКА · Скачать себе. | ||
|
| ||
| Всего комментариев: 0 | |

















